一种磁制冷氢液化装置
一、成果简介
我国“十四五”规划纲要把氢能列为我国构建低碳能源利用体系的重要组成部分,氢能产业在迅猛发展中。根据《中国氢能源及燃料电池产业白皮书》,到2050年,氢能需求量接近6000万t,氢能的储存和分配成为氢能产业化的关键技术之一。从能量密度、技术和经济角度来看,以液氢形式进行分配和储存氢能是最可行方案之一。如何实现高效氢液化,对传统低温制冷系统提出了更高要求,尤其是在整机性能和紧凑化等方面。磁制冷技术是一种基于磁热效应的固态制冷技术,所采用制冷工质为固体磁热材料,不易泄露,易于小型化及紧凑化;在制冷循环方面,常采用多级回热循环,可实现大温度跨度接力制冷,稳定达到液氢及以下温度。
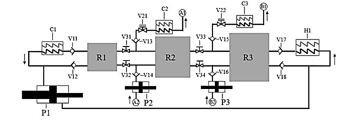
团队提出了一种基于分流回热的磁制冷氢液化装置,主要包括多级主动磁回热器、活塞、换热器、磁体组及分流结构等,其中不同级的回热器由适用于不同工作温区的磁热材料组成。基于分流-回热机理,构建了含分流结构的双流路系统,并在各级回热器间设计了分流控制器件以调整各级回热器流量使其保持最佳状态,有效解决了现有相关技术中已有的磁制冷氢液化装置的流路系统单一、换热流体流动损失大、各级主动磁回热器的热容量不匹配的问题,有效提高了磁制冷的效率。此外,分流出来的换热流体被用于预冷氢气,进一步提升了磁制冷氢液化装置的液化效率。

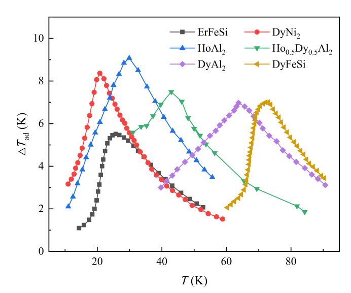
图1.液氢温区常用的几种磁热材料及其绝热温变
二、应用领域
氢气液化、制冷低温
三、市场前景
截止到2023年底,我国氢气产能超4900万吨/年,产量超3500万吨,2030年全球氢能产业产值预计突破1万亿元,氢能产业规模不断壮大带来更好的发展前景。而低温制冷机2024年低温冷却器市场规模预计为32.6亿美元,预计到2029年将达到44.5亿美元,目前主要应用在医疗等领域,随着氢能产业的发展,液氢温区低温制冷机的产值将进一步提升。
目前,在液氢及液氦温区制冷技术中,其主流制冷技术为基于气体压缩膨胀制冷循环所构建的间壁式制冷技术和回热式制冷技术。前者以采用布雷顿循环的透平膨胀机为典型代表,但该制冷机面临着加工难度大,寿命难以提高等问题。此外,透平膨胀机的投资成本较高,难以实现小型化,并且部分零件还面临着其它国家的技术封锁限制;而采用回热填料进行回热的小型低温制冷机,如GM制冷机,则面临着冷量小和能耗高等问题,而且液氦温区的GM制冷机还存在着回热效率难以提高的技术瓶颈,不适合大规模应用。
而磁制冷技术,以零ODP、零GWP,无污染;运动部件少,仅需泵驱动工质循环运转,噪音小且易于小型化;稳定可靠、寿命长等优势,成为目前传统低温制冷技术的可替代技术之一。该装置采用多级主动磁回热器,扩宽了制冷温跨,采用级间分流的双流路系统,大大提升了磁制冷系统在液氢温区的制冷性能和可靠性,在氢液化及其他低温领域有很好的应用及发展前景。

图2.磁制冷氢液化装置系统原理图
四、知识产权
1、成果由bv伟德国际1946官网单独持有;
2、本成果已授权专利。
五、合作方式
合作开发、技术服务和咨询、技术许可或技术转让等。
六、对接方式
(1)合作意向方联系北理工技术转移中心;
(2)北理工技术转移中心沟通了解意向方情况;
(3)会同成果完成团队与意向方共同研讨合作方案。
bv伟德国际1946官网技术转移中心
电话:010-68914920
邮箱:bitttc@bit.edu.cn
网址:ttc.bit.edu.cn
未经授权,请勿转载
